一、40Cr和42CrMo的区别
40Cr与42CrMo作为两种常用的合金结构钢,在材料特性和应用领域上既存在共性,也有显著差异。
共性
材料类型:两者均属于中碳合金调质钢,具有较高的强度和硬度,同时具有良好的淬透性和回火稳定性。
合金元素:两者都含有碳(C)和铬(Cr)作为主要的合金元素,这些元素对钢的强度、硬度和耐腐蚀性有重要影响。
热处理工艺:在热处理过程中,两者的淬火加热温度基本相仿,但具体的淬火保温时间和回火工艺会根据材料的壁厚和所需的力学性能进行调整。
应用领域:两者在机械制造、汽车制造、石油化工等领域都有广泛的应用,常用于制造需要承受一定载荷和复杂工作环境的零部件。
差异
合金元素含量
40Cr:主要合金元素为碳和铬,不含钼元素。
42CrMo:在40Cr的基础上增加了钼(Mo)元素,通常还含有硅(Si)和锰(Mn)等合金元素。钼元素的加入显著提高了钢的淬透性、抗回火稳定性和耐腐蚀性。
力学性能
40Cr:具有较高的强度和硬度,以及良好的韧性和塑性。但其综合力学性能略逊于42CrMo。
42CrMo:由于钼元素的加入,其抗拉强度、屈服强度、延伸率、断面收缩率和冲击韧性均优于40Cr。具体来说,42CrMo的抗拉强度可达930MPa以上,而40Cr的抗拉强度稍低。
热处理工艺
淬火保温时间:42CrMo由于含有钼元素,其淬火保温时间可适当延长,以便奥氏体充分合金化和均匀化,从而提高淬火后马氏体的强度。
回火工艺:42CrMo的回火温度可以相应提高,且回火保温时间也相应延长,以保持其较高的力学性能和抗回火稳定性。
耐腐蚀性和耐磨性
40Cr:虽然也具有良好的耐腐蚀性和耐磨性,但在高温和恶劣环境下的表现不如42CrMo。
42CrMo:由于含有铬和钼等合金元素,其耐腐蚀性和耐磨性更为优越,特别适用于高温、高压和腐蚀性强的环境。
应用领域
40Cr:由于其成本相对较低且具有良好的机械性能和工艺性能,在承受较大载荷和中等尺寸的重要零部件制造中得到了广泛应用,如汽车传动轴、机床主轴等。
42CrMo:由于其高强度、高韧性和良好的耐热性、耐腐蚀性和耐磨性,被广泛应用于制造重载、高温、高压等恶劣环境下的机械设备和零部件,如石油化工设备、航空航天部件等。
40Cr与42CrMo在合金元素含量、力学性能、热处理工艺、耐腐蚀性和耐磨性以及应用领域等方面存在显著差异。在实际应用中,应根据具体的工作环境和性能要求选择合适的材料。
二、40Cr和42CrMo的成分详细分析
1、40Cr的成分
40Cr钢的主要化学成分包括碳(C)、硅(Si)、锰(Mn)、磷(P)、硫(S)和铬(Cr)。具体成分范围如下:
碳(C):0.37%~0.44%。碳是钢中的主要强化元素,对钢的硬度、强度和耐磨性有重要影响。
硅(Si):0.17%~0.37%。硅能提高钢的强度和硬度,同时改善其加工性能。
锰(Mn):0.50%~0.80%。锰可以提高钢的强度和硬度,并改善其加工性能和抗冲击性能。
磷(P)和硫(S):均不超过0.035%。磷和硫是钢中的有害元素,它们会降低钢的塑性和韧性,因此需要严格控制其含量。
铬(Cr):0.80%~1.10%。铬是合金元素,能显著提高钢的耐腐蚀性和抗氧化性,同时也有助于提高钢的强度和硬度。
2、42CrMo的成分
42CrMo钢在40Cr的基础上增加了钼(Mo)元素,其化学成分包括碳(C)、硅(Si)、锰(Mn)、磷(P)、硫(S)、铬(Cr)和钼(Mo)。具体成分范围如下:
碳(C):0.38%~0.45%。与40Cr相似,碳是主要的强化元素。
硅(Si):0.17%~0.37%(也有资料表明硅的含量范围为0.15%~0.35%)。硅的作用与40Cr中的相似。
锰(Mn):0.50%~0.80%(也有资料表明锰的含量范围为0.75%~1.00%)。锰的作用同样是提高钢的强度和硬度。
磷(P)和硫(S):均不超过0.035%(也有资料表明硫的含量不超过0.04%)。磷和硫作为有害元素,需要严格控制。
铬(Cr):0.80%~1.10%。铬的作用与40Cr中的相似,但含量范围略有不同。
钼(Mo):0.15%~0.25%。钼是42CrMo中的关键合金元素,它能显著提高钢的耐热性、抗蠕变性和耐磨性。
三、40Cr、42CrMo不同工艺下的组织几性能
1、40Cr
组织结构
调质处理:基体主要为回火索氏体及少量铁素体。若淬火加热不够或冷却速度不足,可能出现未溶铁素体。
热轧后空冷:组织包含约75%的珠光体和约25%的网状铁素体,晶粒度为7级。
淬火后低温回火:中等长度针状回火马氏体,如加热温度适当,奥氏体合金化充分,经回火处理后能较好地发挥材料的潜在性能。
形变热处理(锻造余热淬火):得到板条状马氏体,具有成排特征,且板条马氏体条片之间有碳化物析出。
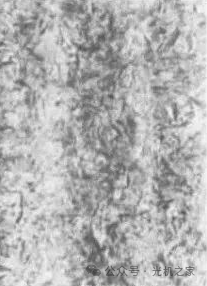
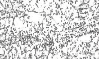
40Cr正火过热组织
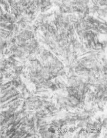
40Cr钢淬火低温回火金相组织 500×
说明:40Cr钢 淬火低温回火状态 形态退化的板条马氏体,晶粒粗大。
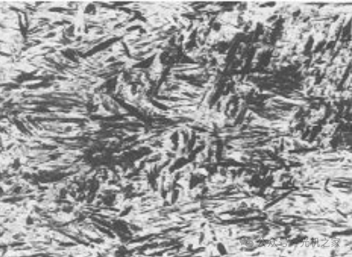
40Cr钢淬火高温回火金相组织 850×
说明:40Cr钢 850℃淬火油冷后600℃回火 保留马氏体位向的回火索氏体组 属正常调质处理组织
性能
力学性能:
抗拉强度:不小于980MPa
屈服强度:不小于785MPa
伸长率:不小于9%
断面收缩率:不小于45%
冲击韧性值:无明确规定,但通常较高
硬度:经调质处理后,硬度可以达到HB241-345(HRC22-32)
应用:因其良好的综合力学性能和工艺性能,广泛应用于汽车制造、航空航天、石油化工、模具制造及建筑等领域。
2、42CrMo
组织结构
退火:用于消除内应力并改善加工性能,组织变化不明显。
正火:提高材料的强度和硬度,组织向均匀化方向发展。
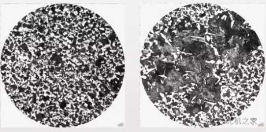
淬火+回火:获得均匀细小的马氏体组织,提高硬度和韧性。调质处理后的组织为马氏体基体上分布着细小的碳化物颗粒
调质处理:保持马氏体向的回火索氏体
球化退火后的球化马氏体
珠光体和白色铁素体,呈带状分布
回火马氏体,带状偏析
组织:索氏体和上贝氏体
性能
力学性能:
交货硬度:一般为240-270HB
正火后硬度:280-320HB
淬火后硬度:50-55HRC
调质后硬度:根据不同回火温度,硬度范围在HRC32-52之间
应用:因其高强度、高耐磨性、高耐腐蚀性和高硬度,广泛应用于工程机械、汽车零部件、石油机械和航空航天等领域,如制造发动机曲轴、传动齿轮等重载零部件。
总结
40Cr和42CrMo在不同工艺下的组织及性能各有特点。通过合理的热处理工艺,可以调整和优化其组织结构,从而获得所需的力学性能和使用性能。在实际应用中,应根据具体需求选择合适的材料和工艺。